


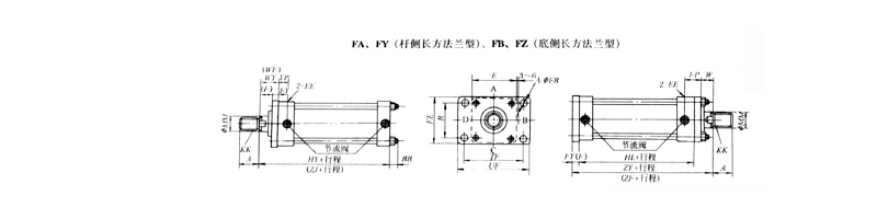
| 代號\缸徑 | 32 | 40 | 50 | 63 | 80 | 100 | 125 | 140 | 150 | 160 | 180 | 200 | 220 | 250 | |
| E | 58 | 65 | 76 | 90 | 110 | 135 | 165 | 185 | 196 | 210 | 231 | 262 | 292 | 325 | |
| EE | ZG3/8 | ZG3/8 | ZG1/2 | ZG1/2 | ZG3/4 | ZG3/4 | ZG1 | ZG1 | ZG1 | ZG1 | ZG11/4 | ZG11/2 | ZG11/2 | ZG2 | |
| FP | 38 | 38 | 42 | 46 | 56 | 58 | 67 | 69 | 71 | 74 | 75 | 85 | 89 | 106 | |
| W | 30 | 30 | 30 | 35 | 35 | 40 | 45 | 50 | 50 | 55 | 55 | 55 | 60 | 65 | |
| YP | 27 | 27 | 29 | 31 | 38 | 38 | 43 | 43 | 43 | 43 | 42 | 48 | 48 | 60 | |
| TF | 88 | 95 | 115 | 132 | 155 | 195 | 224 | 250 | 270 | 285 | 315 | 355 | 395 | 425 | |
| UF | 109 | 118 | 145 | 165 | 190 | 230 | 272 | 300 | 320 | 345 | 375 | 425 | 475 | 515 | |
| φFB | 11 | 11 | 14 | 18 | 18 | 22 | 26 | 26 | 30 | 33 | 33 | 36 | 42 | 45 | |
| FE | 62 | 69 | 85 | 98 | 118 | 150 | 175 | 195 | 210 | 225 | 243 | 272 | 310 | 335 | |
| R | 40 | 46 | 58 | 65 | 87 | 109 | 130 | 145 | 155 | 170 | 185 | 206 | 230 | 250 | |
| FA FB |
ZJ | 171 | 171 | 185 | 198 | 219 | 232 | 265 | 280 | 290 | 308 | 330 | 356 | 365 | 411 |
| ZF | 182 | 182 | 198 | 213 | 237 | 252 | 289 | 306 | 318 | 339 | 363 | 393 | 406 | 457 | |
| WF | 41 | 41 | 43 | 50 | 53 | 60 | 69 | 76 | 78 | 86 | 88 | 92 | 101 | 111 | |
| F | 11 | 11 | 13 | 15 | 18 | 20 | 24 | 26 | 28 | 31 | 33 | 37 | 41 | 46 | |
| BB | 11 | 11 | 11 | 13 | 16 | 18 | 21 | 22 | 25 | 25 | 27 | 29 | 34 | 37 | |
| FY FZ |
HY | 173 | 173 | 190 | 203 | 225 | 240 | 274 | 291 | 301 | 318 | 343 | 370 | 382 | 430 |
| HL | 141 | 141 | 155 | 163 | 184 | 192 | 220 | 230 | 240 | 253 | 275 | 301 | 305 | 346 | |
| ZY | 184 | 184 | 203 | 218 | 243 | 260 | 298 | 317 | 329 | 349 | 376 | 407 | 423 | 476 | |
| WY | 43 | 43 | 48 | 55 | 59 | 68 | 78 | 87 | 89 | 96 | 101 | 106 | 118 | 130 | |
| FY | 13 | 13 | 18 | 20 | 24 | 28 | 33 | 37 | 39 | 41 | 46 | 51 | 58 | 65 | |